Máy scan Brother ADS-3600w bị bẩn mà bạn chưa biết vệ sinh đúng cách. Hãy theo dõi bài viết dưới đây của iScan nhé!
Làm sạch máy quét
Một điểm bụi bẩn hoặc chất lỏng chỉnh sửa trên dải kính có thể gây ra các bản quét chất lượng kém. Làm sạch bên trong máy quét nếu một đường thẳng đứng xuất hiện trong dữ liệu được quét hoặc nếu các vùng bị thiếu trong dữ liệu được quét.
Làm theo các bước bên dưới để làm sạch bên trong máy quét.
LƯU Ý: Hình minh họa dưới đây là của một sản phẩm đại diện và có thể khác với máy Brother của bạn.
1. Rút phích cắm của máy khỏi ổ cắm điện AC (ổ cắm điện).
2. Tháo Khay nạp tài liệu tự động (ADF) (1) trong khi nhả cần gạt ở mặt sau.

3. Mở Nắp trước (1).

4. Từ phía sau của máy scan, trong bộ ADF làm sạch các dải kính (1) (2) bằng vải mềm, không xơ, được làm ẩm bằng nước.

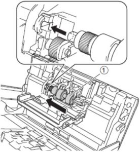
5. Véo cả hai mặt của Nắp con lăn ngược (1) và kéo Nắp xuống.

6. Để tháo Con lăn ngược, hãy nắm lấy trục của nó và kéo nó về phía bạn và ra bên phải.

7. Làm sạch Con lăn Đảo ngược bằng một miếng vải mềm, không có xơ, hơi ẩm với nước.
8. Trượt Con lăn Đảo ngược (1) vào lỗ bên trái để đặt nó trở lại máy.

9. Đóng Nắp Con lăn Đảo ngược.
10. Làm sạch Roller Pick Up từ bên này sang bên kia bằng một miếng vải mềm không có xơ, hơi ẩm với nước.

11. Đóng Nắp trước và gắn ADF của Brother ADS-3600w.
12. Cắm lại dây nguồn vào ổ cắm điện AC (ổ cắm điện).
13. Thực hiện một trong các thao tác sau:
(Đối với các kiểu máy có màn hình của máy (sau đây gọi là LCD))
Khi màn hình LCD hướng dẫn bạn thiết lập lại bộ đếm, hãy làm theo hướng dẫn trên màn hình.
(Đối với các kiểu máy không có màn hình LCD)
a. Mở Nắp trước.
b. Nhấn
trong khoảng năm giây cho đến khi máy phát ra tiếng bíp để đặt lại Bộ đếm Vệ sinh Định kỳ.
Làm sạch con lăn
Làm theo các bước dưới đây để làm sạch Con lăn nhặt và Con lăn ngược.
LƯU Ý: Hình minh họa dưới đây là của một sản phẩm đại diện và có thể khác với máy Brother của bạn.
1. Rút phích cắm của máy khỏi ổ cắm điện AC (ổ cắm điện).
2. Tháo Khay nạp tài liệu tự động (ADF) trong khi nhả cần gạt ở mặt sau.

3. Mở Nắp trước (1).

4. Véo cả hai mặt của Nắp con lăn ngược (1) và kéo Nắp xuống.

5. Để tháo Con lăn ngược, hãy nắm lấy trục của nó và kéo nó về phía bạn và ra bên phải.

6. Làm sạch Con lăn Đảo ngược bằng một miếng vải mềm, không có xơ, hơi ẩm với nước.
7. Trượt Con lăn Đảo ngược (1) vào lỗ mở bên trái và đặt nó trở lại máy scan.

8. Đóng Nắp Con lăn Đảo ngược.
9. Làm sạch Roller Pick Up từ bên này sang bên kia bằng một miếng vải mềm không có xơ, hơi ẩm với nước.

10. Đóng Nắp trước và gắn ADF.
11. Cắm lại dây nguồn vào ổ cắm điện AC (ổ cắm điện).
12. Thực hiện một trong các thao tác sau:
(Đối với kiểu máy có màn hình của máy (sau đây gọi là LCD))
Khi màn hình LCD hướng dẫn bạn thiết lập lại bộ đếm, hãy làm theo hướng dẫn trên màn hình.
(Đối với các kiểu máy không có màn hình LCD)
a. Mở Nắp trước.
b. Nhấn
trong khoảng năm giây cho đến khi máy phát ra tiếng bíp để đặt lại bộ đếm làm sạch định kỳ.
iScan cung cấp giải pháp số hóa tài liệu chuyên nghiệp
- Các sản phẩm Máy scan Brother, Fujitsu, HP, Canon, Kodak, Plustek,…
- Cho thuê máy scan A3, A4
- Dịch vụ số hóa tài liệu trọn gói.



