Máy scan Brother ADS-3600w của bạn gặp xự cố về con lăn mà chưa biết cách thay thế. Hãy tham khảo bài viết dưới đây của iScan để biết cách thay thế con lăn nhé!
Thay thế con lăn Pick up
Thông báo Replace Pick up roll biểu thị rằng Pick Up Roller cần được thay thế bằng một con lăn mới.
Máy của bạn được trang bị bộ đếm quét tự động đếm số lần máy đã quét. Khi máy quét 200.000 lần, máy sẽ hiển thị thông báo Replace Pick up roll để nhắc bạn thay thế Pick Up Roller.
LƯU Ý: Máy Brother của bạn sẽ gặp sự cố khi quét tài liệu nếu bạn không thay thế Con lăn Nhận.
Làm theo các bước dưới đây để thay thế Con lăn Nhận hàng.
LƯU Ý: Hình minh họa dưới đây là của một sản phẩm đại diện và có thể khác với máy Brother của bạn.
1. Tháo khay nạp tài liệu tự động (ADF) (1) trong khi nhả cần gạt ở mặt sau.

2. Mở nắp trước (1).

3. Từ phía trước của máy scan, kéo mạnh phần mở của nắp con lăn nhận.

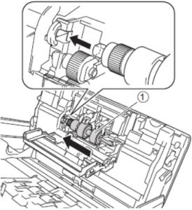
4. Kéo cần màu xanh lục (1) về phía bạn và trượt con lăn nhận hàng ra bên trái.

LƯU Ý: Hãy cẩn thận để không làm đứt móc màu xanh lá cây. Nếu nó không kéo xuống dễ dàng, hãy nhẹ nhàng dùng thêm một chút lực.
5. Trượt con lăn nhận hàng có rãnh mới vào lỗ bên phải và xoay cần màu xanh lá cây cho đến khi nó khớp vào vị trí.

6. Đóng nắp con lăn nhận hàng.
7. Đóng nắp trước và gắn ADF của Brother ADS-3600w.
8. Đặt lại bộ đếm. Làm theo các bước dưới đây để đặt lại bộ đếm con lăn nhận hàng.
Đặt lại bộ đếm con lăn nhận hàng
Khi bạn thay thế Roller Pick Up bằng một cái mới, bạn cần đặt lại Bộ đếm Pick Up Roller bằng cách hoàn thành các bước sau:
LƯU Ý: Chỉ đặt lại bộ đếm con lăn nhận khi bạn đã thay con lăn nhận bằng một con lăn mới.
1. Nhấn (Cài đặt) .
2. Nhấn mũi tên Lên hoặc Xuống để hiển thị Thông tin về Máy.
3. Nhấn Thông tin máy.
4. Nhấn Bộ đếm sử dụng.
5. Để đặt lại bộ đếm con lăn nhặt, hãy nhấn Đếm con lăn nhặt.
6. Khi màn hình của máy hiển thị thông báo xác nhận, hãy nhấn Yes.
7. Bấm (Màn hình chính).
Thay thế con lăn ngược
Thông báo Replace Reverse Roller chỉ ra rằng Reverse Roller cần được thay thế bằng một con lăn mới.
Máy của bạn được trang bị bộ đếm quét tự động đếm số lần máy đã quét. Khi máy quét 200.000 lần, máy sẽ hiển thị thông báo Replace Reverse Roller để nhắc nhở bạn thay thế Reverse Roller.
LƯU Ý: Máy Brother của bạn sẽ gặp sự cố khi quét tài liệu nếu bạn không thay thế con lăn đảo ngược.
Làm theo các bước dưới đây để thay thế con lăn ngược.
LƯU Ý: Hình minh họa dưới đây là của một sản phẩm đại diện và có thể khác với máy scan Brother của bạn.
1. Mở nắp trước (1).

2. Từ phía sau của máy, véo cả hai mặt của nắp con lăn ngược (1) và kéo nắp xuống.

3. Để tháo con lăn ngược, hãy nắm lấy trục của nó và kéo nó về phía bạn và ra bên phải (1).

4. Trượt con lăn đảo ngược mới (1) vào lỗ bên trái và đặt nó vào máy scan ADS-3600w.

5. Đóng nắp con lăn đảo ngược.
6. Đóng nắp trước.
7. Đặt lại bộ đếm. Làm theo các bước dưới đây để đặt lại bộ đếm con lăn ngược.
Đặt lại bộ đếm con lăn ngược
Khi bạn thay thế con lăn ngược bằng con lăn mới, bạn cần đặt lại Bộ đếm con lăn ngược bằng cách hoàn thành các bước sau:
LƯU Ý: Đặt lại bộ đếm con lăn đảo ngược chỉ khi bạn thay con lăn ngược bằng một con lăn mới.
1. Nhấn (Cài đặt) .
2. Nhấn mũi tên Lên hoặc Xuống để hiển thị Thông tin về Máy.
3. Nhấn Thông tin máy.
4. Nhấn Bộ đếm sử dụng.
5. Để đặt lại bộ đếm con lăn ngược, hãy nhấn Số con lăn ngược.
6. Khi màn hình của máy hiển thị thông báo xác nhận, hãy nhấn Yes .
7. Bấm (Màn hình chính).
iScan cung cấp giải pháp số hóa tài liệu chuyên nghiệp
- Các sản phẩm Máy scan Brother, Fujitsu, HP, Canon, Kodak, Plustek,…
- Cho thuê máy scan A3, A4
- Dịch vụ số hóa tài liệu trọn gói.



